时间继电器的作用(时间继电器工作原理知识)
时间继电器是指当加入(或去掉)输入的动作信号后,其输出电路需经过规定的准确时间才产生跳跃式变化(或触头动作)的一种继电器 。是一种使用在较低的电压或较小电流的电路上,用来接通或切断较高电压、较大电流的电路的电气元件 。

文章插图
一、继电器的分类
时间继电器可以按照工作原理和延时方式分为好几大类,我们着重分析常用的几类,根据工作原理可以分为,空气阻尼式时间继电器、电动式时间继电器、电磁式时间继电器、电子式时间继电器等 。
常用的有两种,因为价格低廉、原理清晰、控制要求不高,我们一般选择空气阻尼式时间继电器、电磁式时间继电器 。
【时间继电器工作原理知识 时间继电器的作用】根据延时方式我们分为通电延时型、断电延时型,工作原理和含义顾名思义 。
二、工作原理

文章插图
空气阻尼是时间继电器:主要的延时原理是利用气囊式阻尼器,线圈得电以后,释放或者吸合阻尼器,空气通过微小孔缓慢进入,到达时间以后,实现接通网断开作用;
电磁式时间继电器:主要原理是接通或者断电以后,磁通缓慢衰减的原理让衔铁释放让线路得到延时的作用 。
三、各个引脚的含义
我们以这款通电延时型时间继电器为例:

文章插图
- 1-2脚为电源线圈,这两个脚是需要连接电压的,根据自己选用的电压值正确连接,常用的为220V,24V;
1-3脚为通电延时闭合触点,接通电源,给了信号之后线圈得电,等到设置时间到达以后,触点闭合;
1-4脚为通电延时断开触点,接通电源,给了信号之后线圈得电,等到设置时间到达以后,触点断开;
5-8脚为通电延时闭合触点,接通电源,给了信号之后线圈得电,等到设置时间到达以后,触点闭合;
6-8脚为通电延时断开触点,接通电源,给了信号之后线圈得电,等到设置时间到达以后,触点断开;
各个引脚的含义我们已经搞清楚了,下面就可以根据控制原因进行接线,我们以下图为例,在电路中加入KT通电延时时间继电器,当按下启动按钮SB2线圈KT1、KM1得电交流接触器KM1吸合,电动机M1转动,延时闭合开关KT1到达时间吸合,KM2、KT2得电,交流接触器KM2得电吸合,电动机M2转动,延时断开开关KT2在到达时间以后断开,整个控制回路断开,所有电机停止转动;
这就是时间继电器在一条控制电路中起到的延时断开、延时闭合的作用 。
下面分享网几个经典时间继电器控制电网路原理图:

文章插图
星三角降压启动

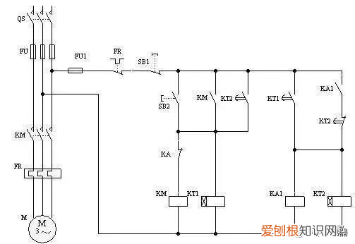
文章插图
延时启动、关闭控制
推荐阅读
- 微博拉黑如何操作,微博怎么拉黑一个未关注的人
- 58同城发布信息如何操作,怎么样在58同城发布卖车信息
- 优酷上可以怎么切换账号,优酷怎么退出登录换别的账号苹果手机
- 如何提高自己的智商? 如何提高智力
- 水印相机可以如何改时间
- 联想thinkbook16+首发价格
- Word文字怎么竖排版,word文档可以怎么竖向排版
- 蚂蚁庄园小鸡怎样进行抢食,支付宝蚂蚁庄园怎么去别人家吃饲料
- word的护眼模式怎么进行打开
