
文章插图
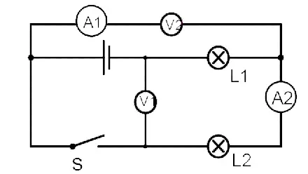
分析:第一步:将开关变成导线;
第二步:将电流表变成导线;
第三步将电压表去掉 。
第四步(略)
第五步:判断用电器连接方式很显然,电路中两个灯泡是串联的 。

文章插图
第六步:根据原则四,知道电压表V2处断开,所以没有电流从A1流过,示数为零;根据滑移法知道V1和电源并联,测电源两端电压 。V2和L2并联,测L2两端电压 。
第七步:等效电路图如下:

文章插图
根据等效电路图,可知所求
I1=I2=0.2A U1=2.5V-1V=1.5V U2=1V
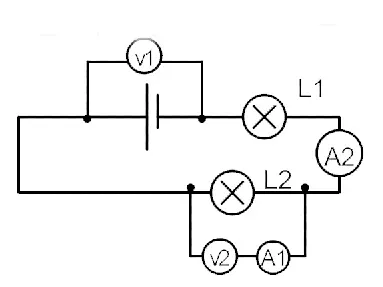
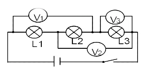
例2 :如图示,开关s闭合后下列各电压表示数的关系是,各电流表示数之间的关系是___ 。
分析:第一步:把开关变成导线;
第二步:把电流表变成导线;
第三步:去掉电压表;
第四步(略);
第五步:判断各用电器的连接方式:

文章插图
第六步:根据原则七和原则八以及滑移法或去源法判断电流表和电压表各自所测量的对象 。
①在原电路中,去掉电压表,可以发现电流表A1和A2都与灯泡串联,所以电流表示数相等;
②用滑移法可以判断出V1测L1两端的电压,V2测电源两端的电压;V3测L2两端的电压 。
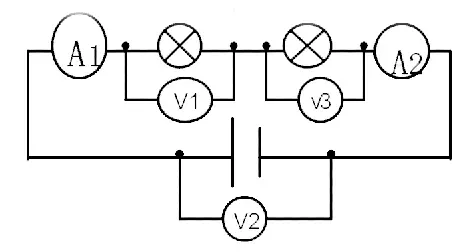
第七步:等效电路图如下

文章插图
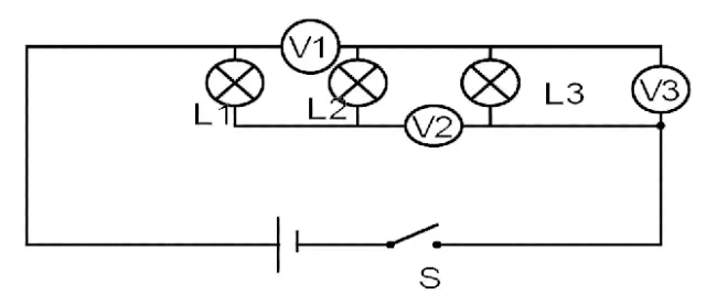
例3 : 电路开关闭合后,v1、v2、v3的示数分别是8V、9V、4V,则L1、L2、L3两端的电压各是多少?

文章插图
所求的电压关系式为:U2=U1+U3 I1=I2
解:根据“十原则,七步骤”可以得到该电路的等效电路图如下:

文章插图
从等效图可以得到如下方程组:
UL1+UL2=8VUL2+UL3=9VUL3=4V
解得网:UL1=3v UL2=5v UL3=4V
例4:如图所示,已知两只灯泡L1和L2是串联的,则在①、②和③三个电表中(电流表或电压表)判断正确的是( )
A. ①是电流表,②和③是电压表;
B. ①和③是电压表,②是电流表;
C. ①和②是电流表,③是电压表;
D. ①②和③都是电流表

文章插图
分析:本题可用排除法解答 。将A答案的各表填入
三个位置中,根据“十原则,七步骤”电路图简化为:

文章插图
很明显,不符合题意 。将B答案各表填入图中,电路可简化为:

文章插图
这种填法符合题意 。
把C答案各表填入电路中,电路L1被断路,简化后的电路图和A答案相同,不合题意 。把D答案各表填入图中,电源短路,两个灯泡没有电流流过,不合题意 。所以选择答案B 。
推荐阅读
- 中医治疗强迫症的方法有哪些? 中药治疗强迫症
- 韩寒《后会无期》经典台词 后会无期台词
- 体系内审和不符合项怎么整改? 不符合项报告
- 超快速解决鼻塞! 鼻塞怎么办速效办法
- 眼睛浮肿是怎么回事? 眼睛肿是什么原因
- 教你摆脱老年斑的4个靠谱方法 怎么去老年斑
- 十二星座月份表! 水瓶座日期
- 一插投影线电脑就黑屏怎么办 电脑怎么连接投影仪
- 排骨汤怎么炖最好喝 排骨汤怎么炖
