电路图怎么看(看不懂电路图?)
电路问题是初中物理中较难的知识,也是中考重要的一部分 。很多同学遇到电路类的题目,摆在面前的第一个问题就是不会简化电路图 。
总之就是——不会做!
没关系,这次分享的10大原则和7大步骤,一定能够帮你拿下这个难题!
01
电路简化的基本原则
初中物理电学中的复杂电路可以通过如下原则进行简化:
第一:不计导线电阻,认定R线≈0 。有电流流过的导线两端电压为零,断开时开关两端可以测得电压(电路中没有其他断点) 。
第二:开关闭合时等效于一根导线;开关断开时等效于断路,可从电路两节点间去掉 。开关闭合有电流流过时,开关两端电压为零,断开时开关两端可以测得电压(电路中没有其他断点) 。
第三:电流表内阻很小,在分析电路的连接方式时,有电流表的地方可看作一根导线 。
第四:电压表内阻很大,在分析电路的连接方式时,有电压表的地方可视作断路,从电路两节点间去掉.
第五:用电器(电阻)短路:用电器(电阻)和导线(开关、电流表)并联时,用电器中无电流通过(如下图示),可以把用电器从电路的两节点间拆除(去掉) 。

文章插图

文章插图
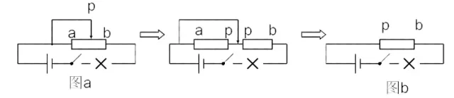
第六:滑动变阻器Pa段被导线(金属杆)短接不工作,去掉Pa段后,下图a变为图b 。

文章插图
第七:根据串、并联电路电流和电压规律“串联分压、并联分流”分析总电流、总电压和分电流、分电压的关系 。
第八:电流表和哪个用电器串联就测哪个用电器的电流,电压表和哪个用电器并联就测哪个用电器的电压 。判断电压表所测量的电压可用滑移法和网去源法 。
第九:电压表原则上要求并联在电路中,单独测量电源网电压时,可直接在电源两端 。
一般情况下,如果电压表串联在电路中,测得的电压是电源两端电压(具体情况见笔记) 。电流表直接接在电源两端会被烧坏,且让电源短路,烧坏电源 。
第十:如果导线上(节点之间)没有用电器(开关,电流表除外),那么导线上的各点可以看做是一个点,可以任意合并、分开、增减 。(此法又称节点法)例如:

文章插图
【看不懂电路图? 电路图怎么看】02
电路简化步骤
第一步:按照题目要求将断开的开关去掉,将闭合的开关变成导线 。
第二步:将电流表变成导线(视具体情况也可保留) 。
第三步:去掉电压表 。
第四步:合并(或者换位)导线上的节点 。(此步骤在电路中用电器比较多,且相互纠结时,采用)
第五步:画出等效电路图,判断各用电器是串联还是并联 。
第六步:在原电路中利用原则七、八判断电流表和电压表各测量哪个用电器的电流和电压 。
第七步:将电压表和电流表添加到等效电路图中,分析各电流表和电压表示数之间的关系 。(利用原则七)
03
经典例题选讲
例1:在如下电路图中,开关S闭合后,电压表V1的示数是2.5V,V2的示数是1V,如果A2的示数是0.2A,那么A1的示数是多少?试求两只灯泡两端的电压 。
推荐阅读
- 中医治疗强迫症的方法有哪些? 中药治疗强迫症
- 韩寒《后会无期》经典台词 后会无期台词
- 体系内审和不符合项怎么整改? 不符合项报告
- 超快速解决鼻塞! 鼻塞怎么办速效办法
- 眼睛浮肿是怎么回事? 眼睛肿是什么原因
- 教你摆脱老年斑的4个靠谱方法 怎么去老年斑
- 十二星座月份表! 水瓶座日期
- 一插投影线电脑就黑屏怎么办 电脑怎么连接投影仪
- 排骨汤怎么炖最好喝 排骨汤怎么炖
