无论机械控制型微波炉,还是电脑控制型微波炉,为了防止磁控管过热损坏,通常需要设置过热保护器 。该保护器多采用双金属片型过热保护器 。
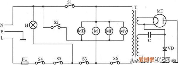
机械控制型微波炉故障分析与检修典型的机械控制型微波炉的控制系统采用了机械定时器,如图10-6所示 。

文章插图
FU—熔断器;S1—副联锁开关;S2—联锁监控开关;S3—主锁锁开关;S4—过热保护器;
S5—定时器开关;S6—功率调节器开关;MD—定时器电机;M—转盘电机;MF—风扇电机;
MV—功率调节器电机;T—高压变压器;MT—磁控管;C—电容;VD—高压二极管;H—炉灯
图10-6 机械控制型微波炉电气原理图(图中开关处于关门状态)
一、工作原理
关闭炉门时,联锁机构随之动作,使联锁监控开关S2断开,主联锁开关S3和副锁开关S1闭合,此时微波炉处于准备工作状态 。将定时器置于某一时间挡后,定时器开关S5即闭合,炉灯H的供电回路被接通,H开始发光;再将功率调节器设定在某一挡次上,此时220V市电电压不仅为定时器电机MD、转盘电机M、风扇电机MF供电,使它们开始运转,而且加到高压变压器T的初级绕组,使它的灯丝绕组和高压绕组输出交流电压,其中,灯丝烧组向磁控管的灯丝提供3.3V左右的工作电压,点亮灯丝为阴极加热,高压绕组输出的2000V左右的交流电压,通过高压电容C和高压二极管VD组成半波倍压整流电路,产生4000V的负压,为磁控管的阴极供电,使阴极发射电子 。磁控管形成的2450MHz的微波能,经波导管传入炉腔,通过炉腔反射,刺激食物的水分子使其以每秒24.5亿次的高速振动,互相摩擦,从而产生高热,将食物煮熟 。
二、常见故障检修
(1)熔断器FU熔断
熔断器FU熔断的故障原因主要有三种:第一种是自身损坏;第二种有元件击穿或漏电,使其过流熔断;第三种是联锁监控开关S2的触点粘连,使它过流熔断 。该故障检修流程如图10-7所示 。

文章插图
图10-7 熔断器FU熔断故障检修流程
提示 目前,大部分微波炉的高压变压器T与高压电容C之间串联了一只高压熔断器,当高压电容C、高压二极管VD击穿或磁控管损坏时,导致该熔断器熔断,产生转盘转但不加热的故障 。维修时,该电容不能用导线短接,否则C、VD击穿后可能会导致高压变压器T损坏 。
(2)熔断器FU正常,炉灯不亮且不加热
熔断器FU正常,炉灯不亮且不加热的故障原因主要有三种:第一种是过热保护器S4开路;第二种是定时器开关S5内的触点开路;第三种是线路开路 。该故障检修流程如图10-8所示 。
(3)炉灯亮,但不加热
炉灯亮但不加热的故障有两种情况:一种是转盘能够旋转;另一种是转盘不能旋转 。转盘不能旋转的故障原因主要是联锁开关或供电线路异常,转盘旋转但不加热的故障原因是功率调节器开关、高压形成电路或磁控管异常 。该故障检修流程如图10-9所示 。

文章插图
图10-8 熔断器FU正常,但炉灯不亮且不加热故障检修流程

文章插图
图10-9 炉灯亮,但不加热故障检修流程
注意 由于变压器T的次级绕组、高压整流滤波电路输出的电压,以及磁控管输入的电压超过2000V,所以维修时最好不要测量电压,而采用测量电阻等方法进行判断,以免被高压电击,发生危险,并且检查高压电容时,即使在断电的情况下,也要先对其放电,再进行测量 。
推荐阅读
- 我敢说韶关南雄这18道菜 南雄美食
- 什么是巴洛克艺术 巴洛克艺术
- 平时生活中超实用的30个发明 创意小发明
- 帮你快速缓解鼻塞 鼻塞流鼻涕
- 感恩妈妈的话最暖心短句 感恩节的话语
- 胰岛素规范注射方法 注射胰岛素
- 水管冻住了怎么快速解冻? 水管冻了怎么快速化了
- 结婚证多少岁可以领 多大才能领结婚证
- 感冒后咳嗽如何治? 感冒干咳怎么办
