(4)能加热,但转盘不转
能加热但转盘不转的故障主要原因是转盘电机或其供电线路开路 。检测该故障时,先用万用表的交流电压挡测转盘电机的接线端子上有无220V市电电压,若有,需要修复或更换电机;若没有,查供电线路即可 。
提示 能加热但不能排风或能加热但炉灯不亮的故障,和能加热但转盘不转的故障检修方法是一样的,不再介绍 。
电脑控制型微波炉故障分析与检修电脑控制型微波炉的控制系统采用了电脑控制电路,下面以格兰仕WD700A/WD800B和上菱WP650、安宝路MB-23型微波炉为例进行介绍 。
一、格兰仕WD700A/WD800B型微波炉
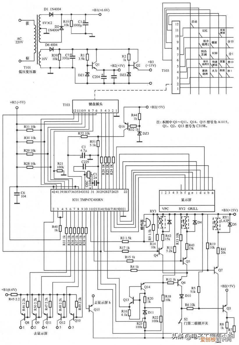
格兰仕WD700A/WD800B型微波炉的电气原理图如图10-10所示,控制电路如图10-11所示 。

文章插图
图10-10 格兰仕WD700A/WD800B型微波炉电气原理图
1.电源电路
如图10-11所示,为微波炉通上市电电压后,市电电压通过变压器T101降压后,输出6V和16V两种交流电压,其中,6V交流电压经D1、D2全波整流,C1滤波产生6.6V直流电压,为显示屏供电;16V交流电压通过D6半波整流产生19V左右的直流电压 。该电压一路通过限流电阻R1、稳压管DZ1、调整管Q1组成的5V稳压器稳压输出5V电压,为CPU等电路供电;另一路通过限流电阻R2、稳压管DZ2、调整管Q2组成的12V稳压器稳压输出12V电压,为继电器等供电 。

文章插图
图10-11 格兰仕WD700A/WD800B型微波炉控制电路
2.微处理器电路
如图10-11所示,该机的微处理器电路由微处理器TMP47C400RN(IC01)为核心构成 。
(1)TMP47C400RN的引脚功能
TMP47C400RN的引脚功能如表10-1所示 。

文章插图
表10-1 TMP47C400RN的引脚功能
(2)CPU工作条件电路
5V供电:插好微波炉的电源线,待电源电路工作后,由其输出的5V电压经电容滤波后,加到微处理器IC01的供电端[42]、[34]、[35]脚,为IC01供电 。
复位:该机的复位电路由微处理器IC01和三极管Q16、稳压管DZ3等元件构成 。开机瞬间,由于5V电源在滤波电容的作用下是逐渐升高 。当该电压低于4.8V时,Q16截止,Q16的c极输出低电平电压,该电压经R52、C3积分后加到IC01的[33]脚,使IC01内的存储器、寄存器等电路清零复位 。随着5V电源电压的逐渐升高,当其超过4.8V后,Q16导通,由它的c极输出高电平电压,该电压加到IC01的[33]脚后,IC01内部电路复位结束,开始工作 。
时钟振荡:IC01得到供电后,它内部的振荡器与[31]、[32]脚外接的晶振OSC和移相电容通过振荡产生4.19MHz的时钟信号 。该信号经分频后协调各部位的工作,并作为IC01输出各种控制信号的基准脉冲源 。
3.炉门开关控制电路
如图10-10、图10-11所示,关闭炉门时,联锁机构相应动作,使联锁开关S1~S3接通 。S1、S3接通后,接通变压器T、加热器H与熔断器FUSE的线路 。S2接通后,不仅将Q6的c极通过D10接地,而且通过R网6使Q3导通 。Q3导通后,它的c极输出的电压通过R8限流,加到微处理器IC01的[13]脚,被IC01检测后识别出炉门已关闭,微波炉进入待机状态 。反之,若打开炉门后,联锁开关S1~S3断开,切断市电到T、H的回路 。同时,IC01的[13]脚没有高电平信号输入,IC01判断炉门被打开,不再输出微波或烧烤的加热信号,而由[2]脚输出低电平信号,该信号通过R4限流,使Q7导通,为继电器RY1的线圈提供导通电流,线圈产生的磁场使它内部的触点吸合,为炉灯供电,使炉灯发光,以方便用户取、放食物 。
推荐阅读
- 我敢说韶关南雄这18道菜 南雄美食
- 什么是巴洛克艺术 巴洛克艺术
- 平时生活中超实用的30个发明 创意小发明
- 帮你快速缓解鼻塞 鼻塞流鼻涕
- 感恩妈妈的话最暖心短句 感恩节的话语
- 胰岛素规范注射方法 注射胰岛素
- 水管冻住了怎么快速解冻? 水管冻了怎么快速化了
- 结婚证多少岁可以领 多大才能领结婚证
- 感冒后咳嗽如何治? 感冒干咳怎么办
